上海淞江集团旗下网站为您介绍:「2018」发往某化工厂不锈钢波纹补偿器使用现场“光谱仪检测”,信息真实可靠,盗版违用必究。淞江集团为众多项目提供波纹补偿器产品,以下是详细介绍。







HG/20592-2009 DN200 PN16 316L 波纹补偿器光谱仪检测信息:
使用产品名称:不锈钢波纹补偿器
主要材质:法兰和波纹都采用不锈钢316L
法兰标准:HG20592-2009
安装位置:化工泵的进口处和出口处
主要作用:减震、降噪
现场检测:淞江集团工作人员携带我厂光谱仪对产品材质进行检测,全部达标。
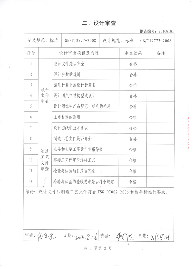
《波纹补偿器》特种设备形式实验报告


























上海淞江集团旗下网站为您介绍:「2018」发往某化工厂不锈钢波纹补偿器使用现场“光谱仪检测”,信息真实可靠,盗版违用必究。